纳芯微汽车级CAN接口芯片助力汽车控制智能化
汽车常见总线:随着汽车内各个系统的控制都在向智能化和自动化转变,汽车电气系统变得越来越复杂,汽车各个功能系统相互之间、功能系统和汽车显示仪表之间、以及功能系统和汽车故障诊断系统之间都需要进行数据交换。如果使用传统的点对点数据交换方法,会使得布线系统十分复杂,故障率也难以控制。
因此,不同的汽车厂商纷纷研究定义不同汽车总线标准,以减少线束网络复杂度、降低电子系统的故障率,同时降低整车成本。其中,CAN总线在汽车总线中应用最为广泛。
CAN总线的主要特点
01 信号传输:使用差分传输,抗干扰能力强,适用于汽车内部强干扰的环境
02 通信速度:可实现10kbps~5Mbps速率传输,满足汽车内大多数应用需求
03 系统灵活:增加节点不需要更改软硬件
04 多路访问:可实现多主机广播式结构
05 信息传输:所有消息格式固定,可根据ID多路节点自动仲裁优先级
06 错误检测:具有错误检测功能,且出现错误自动重发,自动CRC校验接收,数据出错率极低
基于以上的特点,CAN总线能实现实时可靠的数据传输,保证汽车整车网络的通讯正常;此外,CAN芯片生产、通信标准协议、软件工具支持、应用范围等各个环节在产业链较为完善,因此在在汽车应用中具有十分重要的地位。
CAN系统应用电路参考
随着车内电子元器件的增加,汽车受到的电磁干扰影响也越来越大,对系统产生的电磁干扰也越来越强。与传统汽车不同,新能源汽车使用电驱系统驱动车辆,在车辆充电和放电的过程中,大功率器件的开关动作引起大的电压电流突变,从而可能带来更严重的EMC问题,因此,对于汽车中大量使用的总线接口芯片的EMC性能要求也更高。为了获得较好的EMC性能,除了芯片设计的考虑之外,系统中芯片外围电路的补充完善也是至关重要的。
以下是典型的CAN收发器系统应用电路图:

CAN收发器系统应用电路图
其中,由于共模电感的共模高阻和差模低阻特性,在收发器总线处就近放置共模电感(c框,推荐值100uH),可有效滤除总线外部高频噪声和CAN收发器因信号不对称产生的的共模噪声,且不影响CAN 差分信号传输质量,因此可以起到提升系统的抗干扰能力并降低系统EMI的作用。
在系统速率和负载数量允许的情况下,总线可以分别对地放置一个电容(推荐值100pF),可以有效滤除汽车CAN总线的瞬态过冲(如ESD,ISO7637 pulse等)。
总线的120Ω终端匹配电阻建议由2个60Ω电阻进行串联,并在中间连接点通过电容(推荐值4.7nF)接地,有助于改善CANH,CANL总线之间的信号一致性,降低EMI,同时可以将此处的共模干扰引到地上,减小对总线的干扰。
由于汽车系统ESD要求较高,通常在靠近总线接口处放置小寄生电容的专用ESD防护器件(a框, 如PESD2CAN,可以有效增强芯片的ESD防护能力。
除此以外,总线连接负载电容和匹配电阻误差应尽可能小,以避免总线信号的不对称性导致的系统共模干扰。
纳芯微CAN收发器芯片介绍
01 德国C&S权威认证
纳芯微的车规CAN芯片(NCA1042x-Q1, NCA1051x-Q1)已经获得德国C&S的一致性报告。德国C&S实验室是业内公认的权威认证机构,可测试车载芯片能否在网络中实现互联互通和网络兼容性。获得C&S一致性报告,意味着纳芯微的车规CAN芯片可以和其它获取该认证的任何品牌的CAN接口实现上游和下游的互联互通,自由组网。
02 性能优势
(1)高传输速率 高稳定性
纳芯微NCA1042x-Q1/NCA1051x-Q1 CAN收发器芯片可在-40°C至+125°C的宽温工作范围内稳定运行,数据传输速率高达5Mbps,全系支持CAN FD,提供业内通用的封装形式,拥有优异的EMC性能。
(2)低功耗 高可靠性
NCA1042x-Q1提供低电流的Standby模式,可以通过主控制器或者总线唤醒,NCA1051x-Q1提供低功耗的Silent 模式,并且两者在断电后都脱离总线;同时,NCA1042x-Q1和NCA1051x-Q1 在normal mode下都具有TXD 超时功能,而NCA1042x-Q1在待机模式下还支持总线超时功能,两者总线耐压范围在-58V~+58V之间,支持过温和过流保护功能。
(3)宽I/O电压工作范围
NCA1042B-Q1和NCA1051A-Q1 CAN收发器芯片逻辑I/O工作电平在2.8~5.5V范围内,可支持3.3V和5V MCU 的I/O电平。
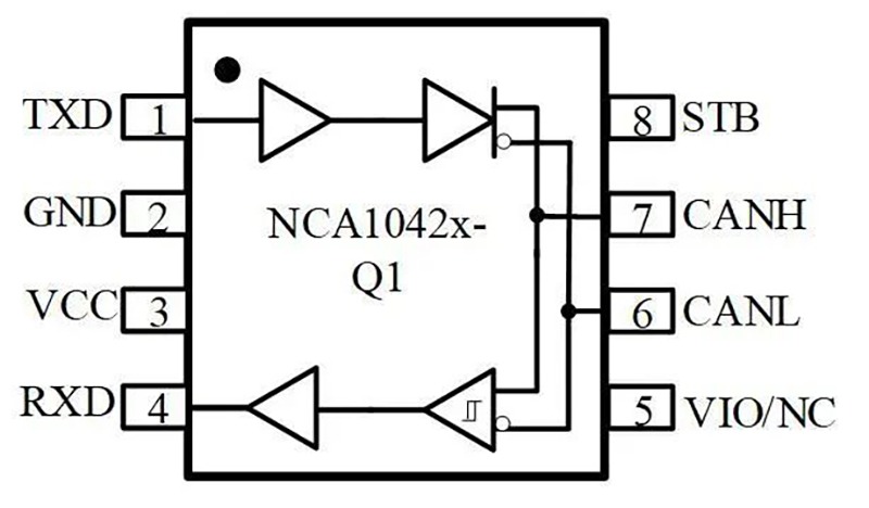
03 功能架构
- NCA1042x-Q1/NCA105x-Q1是高速CAN收发器,可提供控制器局域网(CAN)协议控制器和物理两线CAN总线之间的接口,可支持至少110个CAN节点
- 兼容ISO 11898- 2:2016和SAE J2284-1至SAE J2284-5中定义的CAN物理层结构
- 支持CAN FD,在快速相位网络中可实现可靠的通信,数据速率高达5Mbps
- 提供热保护和传输数据显性超时功能

NCA1042x-Q1功能框图

NCA1051x-Q1功能框图
04 产品参数对比

05 料号信息

纳芯微车规CAN收发器接口芯片-- NCA1042x-Q1/NCA1051x-Q1均P2P兼容市场主流芯片,用户无需修改设计就可以直接更换,灵活满足用户选型需求,拥有更高的性价比,提供更可靠的供应保障。
